Ustawienia
expand_more
Moje konto
Zamów
Zaloguj się
menu
arrow_back
0
0,00 zł
0
0 sztuk
0,00 zł
Razem
0,00 zł
Zamów
Lista życzeń
(
0
)
Producenci
add
remove
STIHL
add
remove
Blog
Strona główna
Katalog części
CLAAS Conspeed
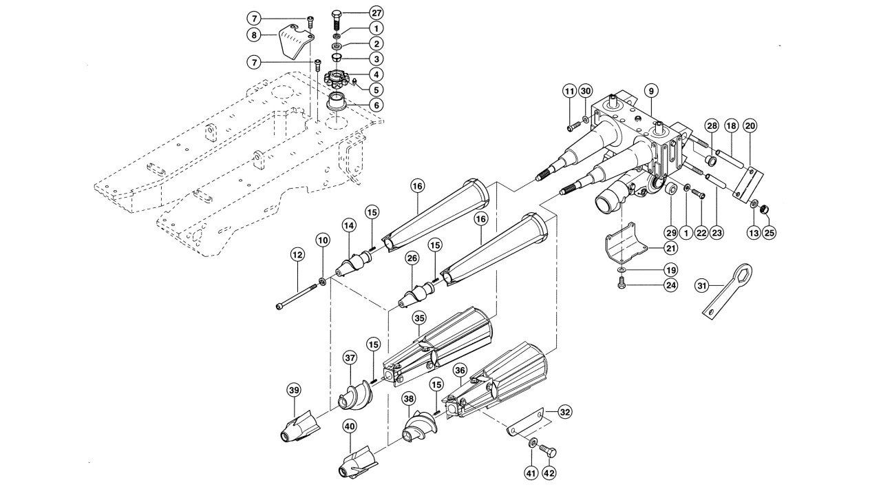
Przekładnia ze zrywaczami / rotorami
Przekładnia ze zrywaczami / rotorami
Numer
Nazwa
Cena
Stan magazynowy