Ustawienia
expand_more
Moje konto
Zamów
Zaloguj się
menu
arrow_back
0
0,00 zł
0
0 sztuk
0,00 zł
Razem
0,00 zł
Zamów
Lista życzeń
(
0
)
Producenci
add
remove
STIHL
add
remove
Blog
Strona główna
Katalog części
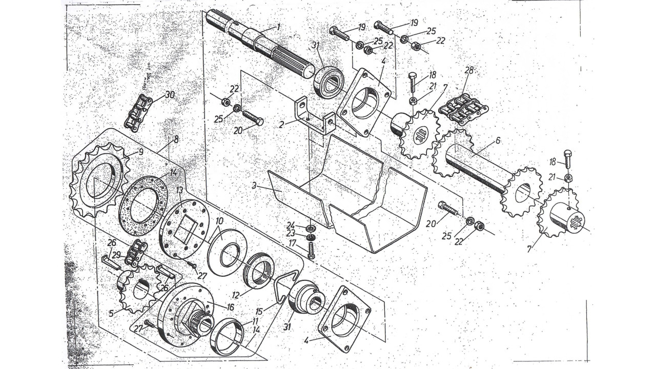
FMŻ BIZON Z-930
Napęd przystawki
Napęd przystawki
Numer
Nazwa
Cena
Stan magazynowy
28
Łańcuch podwójny 12A-2 14 ogniw 613110 1.300.200
Price
50,00 zł
(5)